![]() |
服务热线:0574-23889718 |

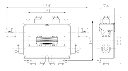
规格: JHH-10(D)
名称: 本安电路用接线盒
适用电缆外径: A1(6-16) B5(6-12) C2(10-18) D2(18-26)
技术参数: 额定电压≤60V、额定电流≤1A
适用范围: 适用煤矿井下瓦斯和煤尘爆炸的环境,作为电气设备之间,连接 本质安全型电路的电缆接线、分线之用
接线用途: 该产品只能适用于本安电路连接
订货须知: 订货时需说明订货数量、规格及配接电缆型号
安全标志证号: MAF100286
防爆合格证号: 2104268
防爆型式: CCCMT15.0217
容量: 10对
【应用】:我公司产品主要应用于煤矿,非煤矿山的通信系统,安全监控系统,人员定位系统等 各大系统的信号传输中电缆,光纤的接线和分线。